Материнская плата Colorful iGame Z890 Flow V20 на чипсете Intel Z890: красивое решение с широкой поддержкой периферии и отличной системой питания
Всю детальную информацию о семействах процессоров можно найти в нашем разделе по ним.
Продолжаем изучать серийно выпускаемые на рынок материнские платы на базе топового чипсета Intel последнего поколения Z890. Посмотрим сравнения 2х последних поколений системных чипсетов серии Z.
| Особенности | Z890 | Z790 |
|---|---|---|
| Совместимость с процессорами Intel | Core Ultra 2xx | Core 14/13/12 |
| Версия PCIe (процессор) | 4.0 & 5.0 | 4.0 & 5.0 |
| Количество линий PCIe (процессор) | 20 версии 5.0 & 4 версии 4.0 = 24 | 16 версии 5.0 & 4 версии 4.0 = 20 |
| Версия PCIe (чипсет) | 4.0 | 3.0 & 4.0 |
| Количество линий PCIe/SATA (чипсет) | 24 версии 4.0 & 8 SATA = 32 | 20 версии 4.0 & 8 версии 3.0 или 8 SATA = 28 |
| Количество портов SATA 6.0 Gb/s до | 8 | 8 |
| Версия DMI | 4.0 | 4.0 |
| Количество линий DMI | x8 | x8 |
| Поколение ОЗУ | DDR5 | DDR4 & DDR5 |
| Количество каналов ОЗУ | 2 | 2 |
| Максимальное количество слотов ОЗУ | 4 | 4 |
| Максимальный объем ОЗУ | 256 ГБ | 256 ГБ DDR5/128 ГБ DDR4 |
| Порты USB4 (40Gbps)(процессор) до | 2 | - |
| Порты USB 3.2 Gen 2×2 (20Gbps) до | 5 | 5 |
| Порты USB 3.2 Gen 2×1 (10Gbps) до | 10 | 10 |
| Порты USB 3.2 Gen 1×1 (5Gbps) до | 10 | 10 |
| Порты USB 2.0 до | 14 | 14 |
| Встроенная поддержка Wi-Fi | Wi-Fi 7 | Wi-Fi 7 |
Основные отличия: у Z890 — 24 линии PCIe 4.0 плюс максимально 8 линий SATA, то есть в сумме чипсет Z890 обладает по сути 32 линиями PCIe, однако 8 линий на порты SATA переконфигурировать под иное использование нельзя, когда как Z790 в сумме 28 линиями PCIe, из которых 8 можно сконфигурировать как порты SATA либо как просто линии PCIe 3.0.
Процессоры Core Ultra обладают в сумме 24 линиями PCIe (из них 20 — версии 5.0, а 4 — версии 4.0), еще имеется и встроенный контроллер Thunderbolt 4, который по сути нам дает 2 порта USB4 (до 40 Гб/с каждый).
Сегодня материнской платой на чипсете Z890, попавшей к нам в лабораторию, стал продукт компании Colorful, а именно Colorful iGame Z890 Flow V20. Эта матплата относится к игровой серии топового уровня iGame.

Colorful iGame Z890 Flow V20 поставляется в коробке относительно нового светлого дизайна с лазерным ярким покрытием. Комплект размещен под платой в отдельном отсеке.
В комплект поставки кроме традиционных элементов типа краткого руководства пользователя и кабелей SATA входят: антенна встроенного Wi-Fi-модуля, адаптеры подключения подсветки, бонусные стикеры, стойки и винтики для держателей в слотах M.2, фирменный набор, включающий отвертку и множество насадок, а также накопитель типа Flash-drive с ПО.

Несмотря на то, что ПО поставляется, однако последние версии надо скачивать с вебсайта производителя.

В комплект поставки входит фирменный комплект насадок для отвертки, включая последнюю.

«Заглушка» на заднюю панель с разъемами уже смонтирована на самой плате.
Форм-фактор


Форм-фактор ATX имеет размеры до 305×244 мм, а E-ATX — до 305×330 мм. Материнская плата Colorful iGame Z890 Flow V20 имеет размеры 305×244 мм, поэтому выполнена в форм-факторе ATX, и на ней имеются 9 монтажных отверстий для установки в корпус.

На оборотной стороне расположены некоторые электронные логические элементы. Текстолит обработан неплохо: во всех точках пайки срезаны острые концы. Защитной пластины (бэкплейта) нет.
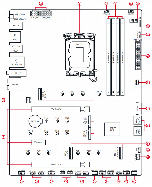
Технические характеристики

Традиционная таблица с перечнем функциональных особенностей.
| Поддерживаемые процессоры | Intel Core Ultra 2xx |
|---|---|
| Процессорный разъем | LGA 1851 |
| Чипсет | Intel Z890 |
| Память | 4 × DDR5, до 9200 МТ/с (XMP), до 256 ГБ, два канала (DIMM/CUDIMM) |
| Аудиоподсистема | 1 × Realtek ALC1220 (7.1) |
| Сетевые контроллеры | 1 × Realtek RTL8125BG Ethernet 2,5 Гбит/с 1 × Intel Dual Band Wireless BE200 (Wi-Fi7 802.11a/b/g/n/ac/ax/be (2,4/5/6 ГГц) + Bluetooth 5.4) |
| Слоты расширения | 1 × PCIe 5.0×16 (PCIe x16_1, режимы x16, x8+x8, x8+x4+x4) 1 × PCIe 4.0×1 (PCIe x1, режим x1) 1 × PCIe 4.0×16 (PCIe x16_2, режим x4) |
| Разъемы для накопителей | 4 × SATA 6 Гбит/с (Z890) 1 × M.2 (M.2_1, CPU, PCIe 5.0×4 для устройств формата 2242/2260/2280/22110) 1 × M.2 (M.2_2, CPU, PCIe 4.0×4 для устройств формата 2242/2260/2280) 1 × M.2 (M.2_3, Z890, PCIe 4.0×4 для устройств формата 2242/2260/2280/22110) 1 × M.2 (M.2_4, Z890, PCIe 4.0×4 для устройств формата 2242/2260/2280) 1 × M.2 (M.2_5, Z890, PCIe 4.0×4/SATA для устройств формата 2242/2260/2280) |
| USB-порты | 8 × USB 2.0: 2 внутренних разъема на 4 порта и 4 порта Type-A (черные) (GL850G+Z890) 2 × USB 3.2 Gen1: 1 внутренний разъем на 2 порта (Z890) 4 × USB 3.2 Gen2: 4 порта Type-A (красные) (Z890) 1 × USB 3.2 Gen2×2: внутренний разъем Type-C (Z890) 2 × USB4: 2 порта Type-C (CPU, Thunderbolt4) |
| Разъемы на задней панели | 2 × USB4 (Type-C) 4 × USB 3.2 Gen2 (Type-A) 4 × USB 2.0 (Type-A) 1 × RJ-45 5 аудиоразъемов типа миниджек 1 × S/PDIF (оптический, выход) 1 × HDMI (выход) 2 антенных разъема кнопка сброса CMOS кнопка перепрошивки BIOS — BIOS Update |
| Прочие внутренние элементы | 24-контактный разъем питания ATX 2 8-контактный разъем питания EPS12V 1 слот M.2 (E-key), занят адаптером беспроводных сетей 1 разъем для подключения порта USB 3.2 Gen2×2 Type-C 1 разъем для подключения 2 портов USB 3.2 Gen1 2 разъема для подключения 4 портов USB 2.0 6 разъемов для подключения 4-контактных вентиляторов и помп ЖСО 3 разъема для подключения адресуемой ARGB-ленты 2 разъема для подключения неадресуемой RGB-ленты 1 разъем аудио для передней панели корпуса 2 переключателя подсветки LED_DIS/LED_DEMO 1 разъем COM-порта 2 разъема для подключения управления с передней панели корпуса |
| Форм-фактор | ATX (305×244 мм) |
| Ориентировочная стоимость | около 35 тысяч рублей |

Основная функциональность: чипсет, процессор, память


Схема работы связки чипсет+процессор.

Формально имеется поддержка памяти DDR5 до 6400 МТ/с, однако всем хорошо известно, и производители материнских плат это активно рекламируют: через XMP-профили сейчас можно использовать пропускную способность до 8000 и выше МТ/с. В частности данная плата поддерживает ПСП до 9200 МТ/с.
Все процессоры Core Ultra 2xx поддерживают:
- 2 порта USB4 (Thunderbolt 4),
- 20 линий ввода-вывода PCIe 5.0, которые могут конфигурироваться:
- 16 линий + 4 линии (слот PCIe x16 + слот M.2);
- 8 линий + 8 линий + 4 линии (2 слота PCIe x16 в режиме x8 + слот M.2);
- 8 линий + 4 линии + 4 линии + 4 линии (слот PCIe x16 в режиме x8 + 3 слота M.2);
- 4 линии ввода-вывода PCIe 4.0: могут конфигурироваться производителями материнских плат на выбор.
При этом взаимодействие с Z890 идет по особому каналу Digital Media Interface 4.0 (DMI 4.0×8). Serial Peripheral Interface (SPI) используется для взаимодействия с системой UEFI/BIOS, а шина Low Pin Count (LPC) — для связи с устройствами ввода/вывода, не требующими высокой пропускной способности (контроллерами вентиляторов, TPM, старой периферии). HDA более не используется, связь с аудиокодеками идет с помощью линий USB 2.0.
В свою очередь чипсет Z890 поддерживает в сумме 42 линии ввода/вывода, которые распределяться могут так:
- до 10 портов USB 3.2 Gen1/2 (из которых до 5 портов USB 3.2 Gen2×2), до 14 портов USB 2.0 (из них линии используются в том числе и для поддержки 3.2 портов, а каждый порт USB 3.2 Gen2×2 требует поддержки со стороны двух USB 3.2 Gen2);
- до 8 портов SATA 6Гбит/с;
- до 24 линий PCIe 4.0.
Выше жирным шрифтом выделены HSIO (High Speed Input-Output) — высокоскоростные линии ввода-вывода, их в сумме (процессор+чипсет) — 60.

Colorful iGame Z890 Flow V20 поддерживает процессоры Intel Core Ultra 2xx, выполненные под разъем (сокет) LGA1851.

Для установки модулей памяти на плате Colorful имеется четыре DIMM-слота (для работы памяти в Dual Channel в случае использования всего 2 модулей их следует устанавливать в А2 и B2.

Плата поддерживает небуферизованную память DDR5 (non-EСС), а максимальный объем памяти составляет 256 ГБ. Могут использоваться модули CUDIMM.

Слоты DIMM оснащены металлической окантовкой, для большей сохранности слотов, а также увеличенной защиты модулей от помех.
Периферийная функциональность: PCIe, SATA, разные дополнительные устройства

Выше мы изучили потенциальные возможности тандема Z890+Core, а теперь посмотрим, что из этого и как реализовано в данной материнской плате.
Кроме USB-портов, к которым мы подойдем позже, чипсет Z890 обладает 24 PCIe линиями PCIe 4.0 и 8 SATA портами. Считаем, сколько линий Z890 уходит на поддержку (связь) с тем или иным элементом:
- Слот PCIe x16_2 (4 линии PCIe 4.0);
- Слот PCIe x1 (1 линия PCIe 4.0);
- Слот M.2 (M.2_3) (4 линии PCIe 4.0);
- Слот M.2 (M.2_4) (4 линии PCIe 4.0);
- Слот M.2 (M.2_5) (4 линии PCIe 4.0);
- Realtek RTL8125BG (Ethernet 2,5Gb/s) (1 линия PCIe 4.0);
- Intel BE200 WIFI7/BT (Wireless) (1 линия PCIe 4.0);
- 4 слота SATA ½/¾
19 линий PCIe оказались занятыми, плюс 4 порта SATA. 1 линия USB 2.0 расходуется на связь с Realtek RTL1220, плюс один USB 2.0 расходуется на поддержку BT, а также иные контроллеры для своих нужд используют сигнальные линии USB 2.0 и 3.2 Gen1/2. Детально об этом ниже в разделе USB-портов.
Теперь посмотрим выше на то, как работают процессоры в данной конфигурации. У CPU Core Ultra 2xx всего 24 линии PCIe, из них 4 линии версии PCIe 5.0 отведены на порт М.2 (M.2_1), 4 линии версии PCIe 4.0 отведены на порт М.2 (M.2_2) . Оставшиеся 16 линий PCIe 5.0 идут на слот PCIe x16_1. Так что вариантов переключения линий PCIe 5.0 между слотами нет (имеется только возможность на первом слоте задать конфигурацию 16 линий: x16, x8+x8, x8+x4+x4, это на случай установки в данный слот карты расширения с портами M.2).
Теперь в целом про слоты PCIe (и M.2).

Всего на плате есть 3 слота: слот PCIe x16_1 (для видеокарт или других устройств), слот PCIe x1 и третий «длинный» PCIe x16_2 (но фактически имеющий 4 линии PCIe 4.0).
Как видим, перераспределения линий PCIe 5.0 на этой материнке нет, поэтому мультиплексоры не востребованы.
Слоты PCIe x16_1/2 имеют металлическое армирование: защиту из нержавеющей стали. Все это увеличивает надежность. Кроме того, такая защита предохраняет слоты от электромагнитных помех.

Матплата позволяет смонтировать СО любого размера.
Усилителей (ре-драйверов) шин PCIe 4.0/5.0 нет.
Слот PCIe x1 имеет декоративную крышку, которая его прикрывает при отсутствии надобности в слоте.

На очереди — накопители.

Всего у платы 4 разъема Serial ATA 6 Гбит/с +5 слотов для накопителей в форм-факторе M.2. 4 порта SATA 1,2,3,4 реализованы через чипсет Z890 и поддерживают создание RAID.

Материнская плата имеет 5 гнезд форм-фактора М.2.

Третий, четвертый и пятый слоты M.2 (M.2_3 — M.2_5) получают данные от чипсета Z890, а первые два — от CPU, при этом M.2_1 получает PCIe 5.0, а M.2_2 получает от процессора PCIe 4.0.
Все слоты M.2, кроме M.2_5 работают с модулями только с PCIe интерфейсом, а в M.2_5 можно установить накопитель с любым интерфейсом.
Все слоты M.2 поддерживают модули с размерами 2242/2260/2280. А слоты M.2_1/3 поддерживают также 22110. На всех M.2 можно организовать RAID.
Поскольку нет деления ресурсов уже между слотами M.2, портами SATA и слотами расширения PCIe, то и мультиплексоров нет.

Все M.2 слоты имеют радиаторы. Верхний M.2_1 обладает отдельным радиатором, когда как остальные все слоты M.2 имеют два общих по-парных радиатора.
Другие особенности на плате
Периферийная функциональность: USB-порты, сетевые интерфейсы, ввод-вывод
Теперь на очереди USB-порты и прочие вводы-выводы. И начнем с задней панели, куда выведены большинство из них.

Повторим: чипсет Z890 способен реализовать не более 14 портов USB, из которых может быть до 10 портов USB 3.2 Gen1, до 10 портов USB 3.2 Gen2, до 5 портов USB 3.2 Gen2×2, и/или до 14 портов USB 2.0.
Также мы помним и про 24 линии PCIe 4.0, которые идут на поддержку накопителей, сетевых и иных контроллеров (я выше уже показал на что и как расходуются 19 линий PCIe 4.0 + 4 порта SATA).
И что мы имеем? Всего на материнской плате — 17 портов USB:
- 2 порта USB4: оба реализованы через Thunderbolt 4, встроенный в CPU и представлены двумя портами Type-C на задней панели;
- 1 порт USB 3.2 Gen2×2: реализован с помощью Z890 и представлен одним внутренним портом Type-C
(для подключения к соответствующему разъему на передней панели корпуса);
- 4 порта USB 3.2 Gen2: все реализованы через Z890 и представлены на задней панели 4 портами Type-A (красного цвета);
- 2 порта USB 3.2 Gen1: все реализованы через Z890 и представлены внутренним разъемом
на материнской плате на 2 порта;
- 8 портов USB 2.0/1.1: 4 реализованы через контроллер Genesys Logic GL850G
(на него потрачена 1 линия USB 2.0 от Z890) и представлены двумя внутренними разъемами
(каждый на 2 порта); еще 4 реализованы через Z890 и представлены на задней панели портами Type-A (черного цвета)
Количество всех необходимых линий USB 2.0 — 20, то есть больше, чем обладает чипсет Z890, так что требуется задействовать еще один хаб для получения дополнительных линий USB 2.0, поэтому на плате имеется второй Genesys Logic GL850G.

Итак от Z890 используют USB 2.0 линии 2 контроллера:
- Genesys Logic GL850G (хаб на 4 USB 2.0 через 2 внутренних разъема) (1 линия USB 2.0);
- Genesys Logic GL850G (хаб на дополнительные 4 USB 2.0 для обеспечения контроллеров и на выделенный 1 USB 2.0 на задней панели) (1 линия USB 2.0).
От второго Genesys Logic GL850G используют линии USB 2.0 четыре контроллера:
- Realtek RTL1220 (аудиокодек) (1 линия USB 2.0);
- Bluetooth (Intel BE200) (1 линия USB 2.0).
- Усилители TB4 (2 линии USB 2.0);
Итак, через чипсет Z890 реализовано высокоскоростных портов USB:
- + 2 USB 3.2 Gen2 на обеспечение порта USB 3.2 Gen2×2
- + 4 выделенных USB 3.2 Gen2
- + 2 выделенных USB 3.2 Gen1
= 8 высокоскоростных портов. Не забываем, что каждый высокоскоростной порт USB обеспечен портом USB 2.0, то есть уже 8 портов USB 2.0 также занято. Плюс 4 выделенных порта USB 2.0 и 2 порта USB 2.0 на обеспечение контроллеров. Всего 14 USB 2.0 портов реализовано.
Ну и 23 линии PCIe, выделенных на поддержку иной периферии (19 HSIO + 4 порта SATA).
Итого у Z890 в данном случае реализовано 27 высокоскоростных портов из 34.
USB порт 3.2 Gen2×2 в виде внутреннего Type-C позволяет выдавать вольтаж, способный обеспечить быструю зарядку мобильных гаджетов (до 30 Вт). Для этой цели имеется контроллер от On Semi.

Также и порты USB 3.2 Gen2 Type-A на задней панели и USB 3.2 Gen1 (внутренние) оснащены ре-драйверами для обеспечения зарядки тех же гаджетов.



Следует обратить особое внимание на поддержку USB4, которая на платформе Intel LGA1851 реализована через Thunderbolt 4, аппаратно встроенный в CPU.
Для устойчивой скоростной передачи по протоколам USB4/TB4 на матплате имеются два усилителя (ре-драйвера) от той же компании Intel.


Теперь о сетевых делах.

Материнская плата оснащена средствами связи хорошо. Имеется скоростной Ethernet-контроллер Realtek RTL8125BG, способный работать по стандарту 2,5 Гбит/с.

Имеется и комплексный беспроводной адаптер на контроллере Intel BE200, через который реализованы Wi-Fi 7 (802.11a/b/g/n/ac/ax/be, 2,4/5/6 ГГц) и Bluetooth 5.4. Он установлен в слот M.2 (E-key), и его разъемы для выносных антенн выведены на заднюю панель.


Заглушка, традиционно надеваемая на заднюю панель, в данном случае уже надета, и изнутри экранирована для снижения электромагнитных помех.

Блок ввода-вывода, вентиляторы и т. п.
Аудиоподсистема
В данном случае плата оснащена аудиоподсистемой, где звуком заведует аудиокодек Realtek ALC1220, он целом обеспечивает вывод звука по схемам до 7.1 с разрешением до 24 бит /192 кГц. Не забываем, что для работы такого кодека требуются сигнальные линии USB 2.0.

В схеме нет ни операционного усилителя, ни ЦАП. При этом в аудиоцепях платы применяются «аудиофильские» конденсаторы.
Аудиотракт вынесен на угловую часть платы, не пересекается с другими элементами. У карты 5 стандартных разъема по приему и выводу сигналов плюс оптический S/PDIF.
Результаты тестирования звукового тракта в RMAA

Питание, охлаждение
Для питания платы на ней предусмотрены 3 разъема: в дополнение к 24-контактному ATX (он на правой стороне платы (на фото — слева) здесь есть еще два 8-контактных EPS12V.

Схема питания процессора выполнена по схеме 20+1+1+1 (всего 23 фазы: 20 на VCore (ядро процессора), 1 на iGPU (интегрированное графическое ядро), 1 на VCCSA (System Agent, кольцевая шина) и 1 на VNNAON (управление энергосбережением).

Каждый канал фазы VCore, VCCSA, iGPU и VNNAON имеет суперферритовый дроссель и ISL99390 DrMOS от Renesas на 90 А.

Управление схемой VCore возложено на ШИМ-контроллер RAA 229130 от Renesas (он поддерживает до 20 фаз).

Тремя схемами питания VCCSA, iGPU и VNNAON управляет ШИМ-контроллер RAA 229134 (Renesas).

Теперь про охлаждение.

Все потенциально сильно греющиеся элементы имеют свои собственные радиаторы.

Как мы видим, охлаждение чипсета (один радиатор) организовано отдельно от силовых преобразователей.

VRM-секция имеет свои два радиатора, соединенные тепловой трубкой под прямым углом.

Над одним из радиаторов установлен пластиковый кожух, несущий подсветку.

Как я уже упоминал ранее, M.2 слоты также имеют радиаторы: у верхнего — свой персональный радиатор, у остальных — общие по-парно.
Одной из особенностей новой платформы Intel является поддержка современной памяти DDR5 в в виде CUDIMM. Цель этих новаций — достижение более высоких тактовых частот работы, а значит и нагрев модулей памяти может вырасти.
Напомню, что материнская плата не имеет бэкплейта.
Подсветка
Все о внешней красоте
Программное обеспечение под Windows
Фирменное ПО Colorful

Настройки BIOS
Что нам дают тонкости настроек в BIOS
Работоспособность (и разгон)
Конфигурация тестовой системы
Запускаем все в режиме по умолчанию (в BIOS — профиль от Intel). Затем нагружаем тестами OCCT.

В режиме авторазгона мы получили до 5,4 ГГц по P-ядрам, и 4.6 ГГц по всем Е-ядрам. Напомню, что начиная с этого поколения процессоров, все ядра имеют по 1 потоку, то есть гипертрейдинга (многопоточности) теперь нет. Потребление процессора достигало 151 Вт, и не забываем, что данный режим работы стоит по умолчанию, что уже означает, что львиная доля пользователей его и будет использовать, а значит следует брать его как базис.
Замечу, что на реальной производительности в каких-либо задачах все это не особо сказывается: потребляет процессор 160 или 180 Вт — вы получите разницу в производительности не более 1,5%, что в рамках погрешности измерений.
Разумеется, нельзя забывать, что мы запускаем стресс-тест, а таких режимов работы CPU в обычных массовых задачах не бывает. Даже программы моделирования, рендеринга и т.п. сейчас процессорные мощности используют не полностью (много оптимизаций, которые возлагают часть вычислений на ту же видеокарту).
Выводы

Colorful iGame Z890 Flow V20 имеет прекрасную систему питания, богатую поддержку периферии, привлекательный внешний вид с умеренной и стильной подсветкой. В целом очень интересная условно среднеценовая материнская плата на базе последнего чипсета Intel Z890. Ее стоимость на момент подготовки обзора составляла в районе 35 тысяч рублей (на маркетплейсах).
Напомню, что плата обладает 17 портами USB разных видов, включая 2 USB4, один USB 3.2 Gen2×2 в виде внутреннего порта Type-C и 8 портов USB 3.2 Gen2/1. Также плата имеет три слота PCIe: слот PCIe х16, получающий от процессора 16 линий PCIe 5.0, слот PCIe x1 и второй «длинный» слот, работающий в режиме x4 (последние два подключены к чипсету).
В плане поддержки накопителей плата имеет 5 слотов M.2, два из которых подключены напрямую к процессору: один — линиями PCIe 4.0, второй — линиями PCIe 5.0. Три других слота М.2 подключены к чипсету Z890 линиями PCIe 4.0. Также имеются 4 порта SATA.
Для нужд охлаждения у платы есть 6 разъемов для вентиляторов. Система питания процессора очень мощная, способная обеспечить работу любых совместимых процессоров с приличным и уже традиционным запасом на разгон. Плата имеет грамотную систему охлаждения каждого потенциально греющегося элемента, включая накопители в слотах M.2. Сетевые возможности включают проводной контроллер 2,5 Гбит/с и беспроводной Wi-Fi 7 + Bluetooth 5.4. В числе плюсов платы можно упомянуть широкие возможности для подключения дополнительных RGB-устройств, а также снова стоит упомянуть очень красивый белый дизайн с волнообразными радиаторами. А в комплект поставки входит отвертка с массой насадок.
В номинации «Оригинальный дизайн» плата Colorful iGame Z890 Flow V20 получила награду:
В номинации «Отличная поставка» плата Colorful iGame Z890 Flow V20 получила награду:
Полный текст статьи читайте на iXBT прочитано 17592 раза
